Articles in this Volume

Research Article Open Access
Advancements and research in modern wall materials
Article thumbnail
Wall structures are commonly seen in everyday life, with brick masonry and concrete being the most frequently used materials. However, in the face of natural disasters such as earthquakes, floods, or other extreme situations, these buildings may collapse, leading to serious casualties and significant property damage. This paper aims to discuss the research and development of new wall materials and explore the compressive strength and seismic performance of modern wall materials in natural disasters. It is found that modern wall materials have witnessed significant improvement in seismic performance, making them especially suitable for meeting lighting needs during nighttime earthquakes. The research and development of self-luminous glass fibre-reinforced plastic (GFRP) composite materials can provide lighting during power outages, enhancing residents' sense of security. In addition, inspired by bioluminescence, specifically the light-emitting mechanism of fireflies, a new type of self-luminous material has been developed through the reaction between luciferin and luciferase. It offers an environmentally friendly and efficient lighting solution during blackouts.
Show more
Read Article PDF
Cite
Research Article Open Access
AI-empowered maintenance: a review of challenges, technologies, and future perspectives
Article thumbnail
Due to the rapid increase in the complexity and scale of industrial systems, mainstream maintenance models can no longer meet the demands of system operation. Condition monitoring and predictive maintenance based on sensor and artificial intelligence technologies have become the dominant approaches. Meanwhile, with the rapid development of technologies such as machine learning and digital twins, the technical framework of intelligent maintenance systems is also gradually evolving. To address the shortcomings of existing reviews, this paper aims to systematically examine the development trends, applicable tasks, and existing challenges of different methods from the perspectives of maintenance objectives and maintenance technologies, hoping to provide a guide for related research and industrial development.
Show more
Read Article PDF
Cite
Research Article Open Access
Study on the joint operation scheme of key water conservancy projects in the Taihu Lake Basin: a case study on ensuring flood control safety
Article thumbnail
In response to the severe flood control challenges in the Taihu Lake Basin, this study focuses on the coordinated operation of newly constructed projects—such as the Xinmeng River and Xingou River—and the existing water conservancy system. Addressing the drainage difficulties in the upstream Huxi Area and the Wucheng–Xixi–Yuxi Area, the research adopts a technical framework of “scenario-driven analysis–scheme simulation–multi-objective decision-making.” Through simulation and optimization based on mathematical models and an intelligent decision-support system, an operationally feasible joint operation scheme is proposed. The results demonstrate that optimized joint operation can significantly unleash the flood control potential of water conservancy projects, providing valuable methodological insights and a practical reference for coordinated operation and intelligent decision-making in complex river network regions.
Show more
Read Article PDF
Cite
Research Article Open Access
Long-term spatiotemporal analysis of urban nitrogen oxides in Manchester (2015–2025): statistical and machine learning approaches
Article thumbnail
Urban nitrogen oxide (NOx) air pollution poses significant public health risks, and therefore spatiotemporal knowledge of NOx is crucial for air quality regulation. However, few studies have examined long-term NOx dynamics in Manchester by integrating spatial, temporal, and mechanistic perspectives. This study investigates the long-term trends and drivers of NO and NO2 in the urban atmosphere of Manchester from 2015 to 2025. Data from five AURN monitoring sites, ERA5 meteorological reanalysis datasets, and UK Department for Transport traffic statistics were analysed using linear regression for trend estimation, seasonal decomposition, and spatial pattern analysis. A hybrid statistical–machine learning framework was additionally employed, combining ordinary least squares regression (OLS) with XGBoost models interpreted through Shapley Additive Explanations (SHAP). The results indicate statistically significant declining trends in both pollutants, with average annual decreases of approximately 4.8%, and dramatic short-term reductions during COVID-19 lockdowns, highlighting the dominant influence of traffic. Seasonal patterns persisted, with winter concentrations 1.9 times greater than summer levels, and spatial analysis revealed strong NO2 heterogeneity among monitoring sites. Machine learning models performed substantially better than linear regression (R2 = 0.475 vs. 0.29), and SHAP analysis showed ozone, boundary layer height, and temperature as the main drivers of NO2 variations. Overall, the findings confirm substantial air-quality improvements while revealing nonlinear processes in urban pollution dynamics, supporting continued emission-reduction policies and enhanced monitoring strategies.
Show more
Read Article PDF
Cite
Research Article Open Access
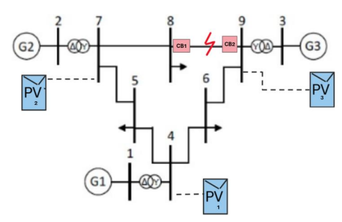
Hybrid modelling and fault current characteristics of PV-integrated power systems
Article thumbnail
The move to inverter-based renewable resources (IBRs) is a challenge for power system protection since IBRs generate much lower fault currents than traditional synchronous generators. This compromises the operation of conventional protection relays. In order to solve this problem, the present study employs a detailed IEEE 9-bus model in RSCAD to examine the fault behaviour at four different levels of renewable energy penetration. The investigation measures the reduction of the fault current as a result of the gradual substitution of synchronous generation by photovoltaics. The findings enable the production of different sets of relay settings for each case, thus assuring the correct functioning of protection coordination in terms of reliability and selectivity. The main point is an extensive adaptive protection concept. This thoughtful plan serves as an essential guide for the dynamic adjustment of relay settings, thus ensuring the resilience and stability of the grid during the energy ​‍​‌‍‌transition.
Show more
Read Article PDF
Cite
Research Article Open Access
Research on real-time target tracking method based on visible-thermal infrared multimodal fusion
Article thumbnail
This paper proposes a real-time suspicious person identification and tracking system based on visible-thermal infrared multimodal fusion. Aiming at the limitations of traditional tracking methods under extreme conditions, the system innovatively designs a multimodal feature fusion mechanism and a motion information-guided tracking compensation algorithm. Verified on the RGBT234 dataset, the system achieves a tracking success rate of 0.502, which is superior to existing mainstream methods, while maintaining a real-time processing speed of 15.3FPS, providing an effective technical solution for the field of public security.
Show more
Read Article PDF
Cite
Research Article Open Access
A review of pre-injury assessment and post-injury rehabilitation based on virtual reality and motion capture system
Article thumbnail
Musculoskeletal injuries pose significant challenges to global healthcare system. Traditional assessment and rehabilitation methods are often subjective, non-engaging and lack precise quantification. This review explores the potential of integrating Virtual Reality(VR) and motion capture technologies to address these limitations across injury management. It systematically analyzes the architecture of such systems and demonstrates that they enable the creation of standardized, high-intensity, personalized and safe environment for pre-injury risk assessment and post-injury rehabilitation in populations. This is achieved by quantifying key biomechanical risk factors. The integration of VR and motion capture system indicates a shift toward novel technological approaches in injury management, despite facing challenges in cost and standardization that require future development.
Show more
Read Article PDF
Cite
Research Article Open Access
Review of big data visualization technology with artificial intelligence
In the digital age, where the amount of data is growing exponentially, traditional big data visualization methods often fall short, especially when it comes to processing high-dimensional data or matching visualization results to user needs. This highlights the need for better integration between artificial intelligence (AI) and big data visualization. AI has brought about significant changes in this field. This paper reviews research from the past five years to explore the integration of AI with big data visualization. It looks at the core technologies, common use cases, and challenges of this combination. The review finds that AI can address many issues in traditional visualization techniques, such as handling complex data and improving interaction and evaluation. However, challenges like model interpretability, data privacy concerns, and inconsistent standards remain. In the future, this integration is expected to move toward more transparent models, stronger privacy protection, and standardized systems. This will help unlock the full value of data in real-world applications.
Show more
Read Article PDF
Cite
Research Article Open Access
Unlearning bias in text diffusion models based on decoupled adapter
Article thumbnail
Social biases in text generation models severely compromise technical fairness and social inclusiveness. Existing studies mostly focus on debiasing at the word embedding level, ignoring dynamic biases in generated text, with limitations like low training efficiency and poor generalization. To address this, we propose Debias-Adapter, a bias mitigation method based on text diffusion models. Built on the Latent Diffusion Model (LDM) framework, it introduces a decoupled cross-attention mechanism and adds an adapter module to the Transformer-Encoder, optimizing only <5% of adapter parameters while freezing the pre-trained backbone to boost efficiency. Targeted data filtering and adaptation ensure input validity. Tested on the BBQ dataset, it outperforms baselines like Qwen3 and LD4LG, achieving a top accuracy of 73.7% and a maximum accuracy difference of 9.6% in non-ambiguous contexts, with significantly lower bias scores in both ambiguous and disambiguated contexts. This method exhibits strong debiasing effectiveness across multiple bias scenarios, supporting ethical optimization and fairness improvement of text generation models.
Show more
Read Article PDF
Cite
Research Article Open Access
Biomimetic design of a microplastic-absorbing robot for recycling detection application in aquatic environments
Article thumbnail
Microplastic pollution in global aquatic ecosystems poses an imminent threat to both ecological integrity and human wellbeing. These minuscule particles (<5 mm), derived from anthropogenic activities, accumulate organic pollutants and heavy metals, permeating the food chain and triggering reproductive abnormalities and endocrine disruption in organisms. Particles with diameters smaller than 100 μm are particularly insidious, owing to their diminutive size, which facilitates greater bioaccumulation while rendering them significantly more challenging to collect and detect. Drawing inspiration from the highly efficient filtration mechanism of sabellid worms, this study proposes the design of an aquatic microplastic adsorption robot that mimics the feather-like radiolar crown structure of these organisms. The robot incorporates a flexible polymeric vibrating membrane system, a solid monolithic magnetic porous polymer material (PDVB-Fe₃O₄), and underwater adsorption suction cups to achieve efficient capture of minute microplastics (diameters less than 100 μm). Post-collection, the adsorption module enables rapid desorption, thereby facilitating facile onshore analysis and detection. The authors adopted computational fluid dynamics (CFD) methods to develop a fluid-solid coupling model, simulating five water environments with varying flow velocities: 0.05 m/s, 0.07 m/s, 0.09 m/s, 0.2 m/s, and 0.5 m/s. The results validated the robotic system's in-water performance, revealing low energy consumption and favorable stability (data). This design offers a scalable technical solution for achieving the Sustainable Development Goal 14 (SDG14) target.
Show more
Read Article PDF
Cite